服务热线
(0)757 83134190

H36 活塞密封
1.说明
H36 活塞密封是双向作用的活塞密封圈,由一个填充聚四氟乙烯密封环和两个O 形圈以及一个星形圈组成。O 形圈提供初始密封所需的预紧力,在动密封表面安装了星形圈弹性体,以实现两种介质间,如液/气的分离。它有聚四氟乙烯材料所具有的低摩擦性能,又有橡胶弹性体的良好密封性能,在降低摩擦的同时,使泄漏最小化。
2.应用
由于H36 活塞密封具有聚四氟乙烯材料的低摩擦、耐高压、高速度的特点,又具有橡胶的密封特性,因而广泛应用于一些速度较快、压力高、需保压及液/气分离的往复运动系统,如工程机械的支腿油缸、悬挂油缸、轧钢设备、活塞式蓄能器等。
3.优点
-在需要将两种介质(如:油/油或油/气)进行双向密封的场合
-保压性能好,极低的泄露,无论介质是液体还是气体
-摩擦力小,无爬行现象
-承载压力高,滑动性能好
-与H38 活塞密封相比,能承受更高的压力和速度
4.标准材料
密封环:填充聚四氟乙烯F013
O 形圈:丁腈橡胶NBR70
星型圈:丁腈橡胶NBR70
5.其它适用材料
详见密封材料一览表。
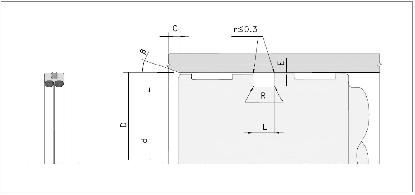
6.安装倒角
活塞密封件通常是过盈配合,因此,为了避免在安装过程中损坏密封件,应该在缸孔上加工安装倒角,倒角角度β为15-20°,倒角长度尺寸C 如下:
| 序列号 | B | C | D | E |
| C min. | 5 | 7 | 10 | 14 |
7.表面粗糙度
| 表面粗糙度 | Ra | Rz | Rmax. |
| 配合表面μm | 0.05-0.3 | <1.6 | <2.5 |
| 沟槽表面μm | <1.6 | <10.0 | <16.0 |
8.工况要求
压力:≦60MPa
速度:≦3m/s
温度:-30℃~+200℃(取决于O 形圈和星形圈材料)
介质:矿物液压油,抗燃液压油,环保液压油,水、气体等
9.订货示例
缸筒内径: 100mm
沟槽尺寸: 100x87x8.3
密封环材料:F013
O 形圈材料:NBR70
星形圈材料:NBR70

10. 安装尺寸参数

