服务热线
(0)757 83134190

H33 活塞密封
1.说明
H33 活塞密封是单向作用的活塞密封,由一个阶梯形的填充聚四氟乙烯密封环和一个O 形圈组成。O 形圈提供初始密封所需的预紧力,保证在低压时的密封性能,高压时O 形圈被系统流体挤压,推着密封环靠紧密封面而增加密封力。
2.应用
广泛应用于高压和中压以及重载工况下的液压往复运动系统,适合各种行程以及范围较广的流体和高温场合,可适用较大的活塞间隙。特别推荐用在活塞式蓄能器中作为压力油一侧的第一道密封与H36 或H38 型密封圈一起使用。可用于注塑机、叉车、农业机械、推土机、挖掘机、锻压机、陶瓷压砖机、轧钢机、伺服阀及机床等。
3.优点
-优异的动静密封性能
-摩擦力小,起动力低,运行平稳,无爬行及粘滞现象
-可允许较大的挤出间隙,在有污物的介质中可安全使用
-安装尺寸紧凑,沟槽结构简单,易于安装
-不会发生困压,可多只串联安装
-对强冲击压力有优异的缓冲作用
-可选材料多,可适用于大多数液压介质,以及宽广的温度和压力范围
4.标准材料
密封环:填充聚四氟乙烯F013
O 形圈:丁腈橡胶NBR70
5.其它适用材料
详见密封材料一览表。
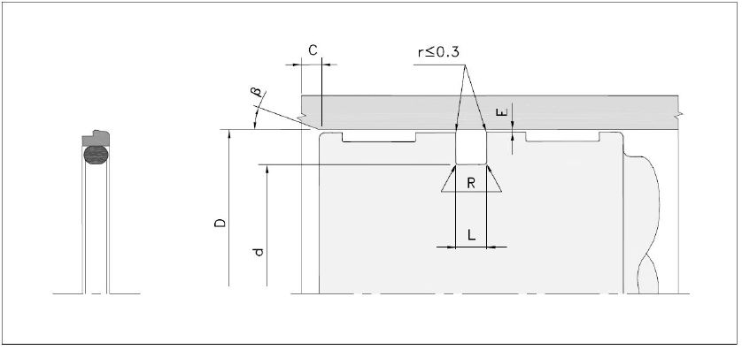
6.安装倒角
活塞密封件通常是过盈配合,因此,为了避免在安装过程中损坏密封件,应该在缸孔上加工安装倒角,倒角角度β为15-20°,倒角长度尺寸C 如下:
| 序列号 | A | B | C | D | E | F | G | H |
| C min. | 2 | 3 | 4 | 5 | 7 | 7 | 8 | 12 |
7.表面粗糙度
| 表面粗糙度 | Ra | Rz | Rmax. |
| 配合表面μm | 0.05-0.3 | <1.6 | <2.5 |
| 沟槽表面μm | <1.6 | <10.0 | <16.0 |
8.工况要求
压力:≦60MPa
速度:≦15m/s
温度:-45℃~+200℃(取决于O 形圈材料)
介质:矿物液压油,抗燃液压油,环保液压油,水、空气和大多数的润滑油、油脂
9.订货示例
缸筒内径: 100mm
沟槽尺寸: 100x84.9x6.3
密封环材料:F013
O 形圈材料:NBR70

10. 安装尺寸参数

