服务热线
(0)757 83134190

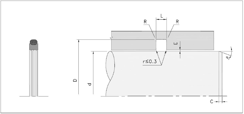
T31 旋转密封
1.说明
T31 旋转密封是双向作用的轴用旋转密封圈,由一个填充聚四氟乙烯密封环和一个O 形圈组成。聚四氟乙烯密封环的动密封面有一个或多个周向连续的沟槽,用以提高密封面的比压从而提高密封效果,另外也用以储油,从而降低磨擦力。
2.应用
它是一种可承受双向压力或交变压力作用的旋转密封圈,广泛应用于做旋转或摆动运动的杆、轴、销、旋转接头、高压阀芯、液压马达等部件上,在工程机械、建筑机械及汽车设备工业等的旋转式液压传动上也广泛应用。
3.优点
-摩擦力小,无爬行及粘滞现象
-耐磨性好,寿命长
-沟槽结构简单且尺寸小
-配合适当的O 形圈材料,可适用于广泛的工作介质
4.标准材料
密封体:填充聚四氟乙烯F021
O 形圈:丁腈橡胶NBR70
5.其它适用材料
详见密封材料一览表。
6.安装倒角
密封件通常是过盈配合,因此,为了避免在安装过程中损坏密封件,应该在活塞杆上加工安装倒角,倒角角度β为15-20°,倒角长度尺寸C 如下:
| 序列号 | A | B | C | D | E | F | G |
| C min. | 2 | 3 | 4 | 5 | 5 | 7 | 8 |
7.表面粗糙度
| 表面粗糙度 | Rmax. | Rz | Ra |
| 配合表面μm | 0.63~2.50 | 0.40~1.60 | 0.05~0.20 |
| 沟槽表面μm | <16.0 | <10.0 | <1.60 |
8.工况要求
压力:≦30MPa
速度:≦2m/s
温度:-45℃~+200℃(取决于O 形圈材料)
配合表面硬度:≥HRc55
介质:矿物液压油、难燃液压油、环保液压油、水、空气和其它
9.订货示例
活塞杆直径:100mm
沟槽尺寸: 100x111.0x4.2
密封环材料:F021
O 形圈材料:NBR70

10.安装尺寸参数

