服务热线
(0)757 83134190

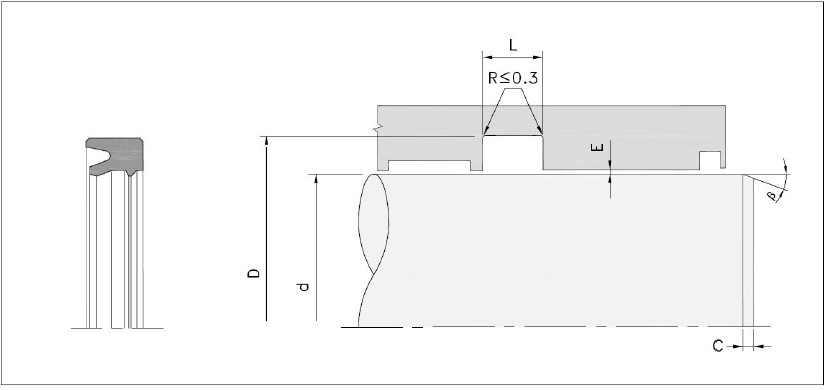
S17 活塞杆密封
1.说明
S17 型活塞杆密封是由聚氨酯材料制成的单作用双唇口U 形密封圈。低压时主要通过U 形密封圈的预压缩产生密封力,高压时U 形密封圈被系统流体挤压,推着密封环靠紧密封面而增加密封力。不对称的唇口设计保证了密封圈在沟槽底部的静态和滑动表面的动态密封效果。它具有主唇和副唇,在两密封唇之间形成润滑油腔,改善了密封的润滑,从而减少了磨损。
2.应用
作为活塞杆用的单向作用密封圈,广泛应用于往复运动的液压油缸中,如行走机械、注塑机、林业机械、采矿机械、工程机械和工业液压油缸等。在恶劣的工作条件下,也具有良好的机械特性。在中载或重载场合,与S33 活塞杆密封联合使用效果非常好。
3.优点
-密封效果好
-耐磨性好,寿命长
-很高的抗挤出能力
-沟槽结构简单,易于安装
4.标准材料
聚氨酯P520,硬度Shore A 93
5.安装倒角
密封件通常是过盈配合,因此,为了避免在安装过程中损坏密封件,应该在活塞杆上加工安装倒角,倒角角度β为15-20°,倒角长度尺寸C 如下:
| 杆径 | <100 | 100~200 | >200 |
| C min. | 5 | 7 | 10 |
6.表面粗糙度
| 表面粗糙度 | Ra | Rz | Rmax. |
| 配合表面μm | 0.1-0.4 | <2.5 | <4.0 |
| 沟槽表面μm | <1.6 | <10.0 | <16.0 |
7.工况要求
压力:≦40MPa
速度:≦0.5m/s
温度:-35℃~+110℃
介质:矿物液压油和其它
8.径向间隙
工作压力 MPa | 径向间隙E max. | |
| d≤60 mm | d>60 mm | |
| 5 | 0.40 | 0.50 |
| 10 | 0.30 | 0.40 |
| 20 | 0.20 | 0.30 |
| 30 | 0.15 | 0.20 |
| 40 | 0.10 | 0.15 |
9.订货示例

10. 安装尺寸参数
